+44 (0) 1429 836655 [email protected]

Xstress G3 • Fidgeon

Products > >

Request Account

Xstress G3

SKU: F80.0202 Categories: ,

Description

Product Information

X-ray diffractometer Xstress G3, with modifiable movements gives access to confined spaces and complex geometries. Advances in design and construction provide enhanced reliability and function in a truly portable residual stress and retained austenite analyser.

Xstress G3 properties

  • Non-destructive
  • Suitable for laboratory, factory and ­field use
  • Quick assembly, ready to use in 10 minutes
  • Easy replacement of X-ray tube (Cr, Cu, Co, Fe, V, Ti, Mn) which enables measuring different materials
  • Three measurement distances as standard: 50, 75 and 100 mm
  • Two NMOS position sensitive detectors
  • Instantly adjustable 2θ-angle
  • XTronic software for running the measurement and calculating residual stresses and retained austenite content (optional)
  • d-sin²χ and Ω-measurement modes as a standard

To view related products, click here.

  • Two symmetrically positioned NMOS position sensitive detectors
    • standard detector width 30°
    • for other detectors see option
  • 2θ-range of the detectors
    • continuously adjustable within 110° to 165°
    • lower angles as option with special detector arcs
  • Standard measurement distance 50/75/100 mm
  • Replaceable collimators
    • short and long collimators with 1/2/3/4/5 mm spot sizes
    • special collimators available as an option
  • X-ray tube
    • Cr-tube as standard: max. output 30 kV/9 mA/270 W
  • Xstress main unit (high voltage generator)
    • X-ray power supply 5–30 kV/0–10 mA freely adjustable within limits
    • self-contained liquid cooling system
    • includes all interlocks required for complete safety
    • universal power input
  • XTronic software
    • fully featured Windows software using thread based multi-tasking
    • hardware operation control: detectors, DC motors, power supply, shutter, safety interlock functions, voltage and current, etc.
    • automated calibration with zero stress powder samples to set diffractometer to sample distance
    • project manager for depth distribution measurement and all kinds of mapping measurements
    • library functions for material parameters
    • modified d-sin2χ and Ω-mode
    • peak shift determination with the most known methods such as cross-correlation and peak fit methods
    • peak fit with eight different functions and three background options: Gauss, Lorentz, Modified Lorentz, Intermediate Lorentz, Pearson VII, Split Pearson VII, Pseudo-Voigt and Split Pseudo-Voigt
  • MYTHEN2 detector option (requires Xstress G3 MYTHEN2 diffractometer)
    • width 30°
    • measurement distance 70 mm
  • Special detectors arcs for extended 2θ-range
  • A great range of special collimators
  • X-ray tubes:
    • Cobalt (Co)
    • Copper (Cu)
    • Iron (Fe)
    • Manganese (Mn)
    • Molybdenum (Mo)
    • Nickel (Ni)
    • Titanium (Ti)
    • Vanadium (V)
  • Retained austenite measurement package for Xstress G2R/G2R MYTHEN2 system
    • requires XTronic retained austenite software option
  • Extended legs

XTronic

XTronic takes care of the measurements with Xstress systems from running the measurement to calculating the residual stress or retained austenite values. XTronic software fulfills the new European X-ray residual stress testing standard EN 15305.

NDT Equipment

Measurement tools easily available

XTronic has a powerful graphical interface. Setting up the parameters and creating and executing a new measurement is quick and easy even for measuring complex shaped samples. Measurement and data handling tools are easily accessible in main and measurement toolbars. These toolbars can be hidden and moved according to your needs. Connections, X-ray tubes and operation power of the system are managed with the X-ray control tool. X-ray control side bar provides one quick and convenient access to all tools for starting the measurement. If not needed, the X-ray control side bar can be hidden, e.g. to make more room for the measurement information and result windows.

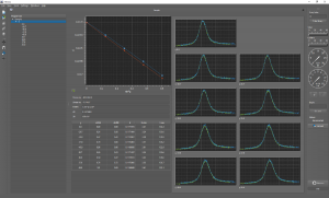
Real-time measurement data

All relevant measurement data is visible real time on the measurement window. You can easily view intensity distributions in different stages of analysis and in different scales. The software updates the graphs and calculation results after each finished measurement stage. You can also view all other possible graphics from d-sin2χ distributions and stress distributions to graphs of mapping projects by couple of simple mouse clicks. Autosave option helps to make sure you do not loose your measurements.

XTronic supports stress measurement in the modified χ as well as in ω mode. While the modified χ mode is the most commonly used, sample geometry can make it impossible or impractical. Then ω mode is the better option, e.g. for measuring a gear root in axial direction.

Measurement settings are easy to access, make and modify as they are all visible at the same time in one window.

The Project tool allows you to combine multiple stress or austenite measurements and automatically generates graphs and tables of the results. Typical uses are depth profiles, e.g. of shot-peened surfaces or stress distributions across weld seams. Each project can include several measurement series. The Project tool is fully integrated into the software, requires very little extra effort and makes access to the data much easier. Graphs tab contains for example depth profile graph including all the measurements made for the series. Stress profile graphs can be viewed in details e.g. with error bars.

Among many different calculation methods the advanced peak fit method can be used to calculate residual stress and retained austenite values.

ANSI N43.3 – 1993

Meets or exceeds ANSI N43.3 – 1993 and other industry standards for open beam X-ray operation.

Additional information

Manufacturer

Questions? Ask our specialist team for NDT help or advice